Designing an effective oscillator is a nuanced task that goes well beyond basic engineering principles. In a recent exploration, technology expert lcamtuf provided a detailed primer on oscillator design, emphasizing the importance of not just creating any oscillator, but rather a good one. His insights are particularly valuable for those looking to deepen their understanding of electronic circuits.
Understanding Oscillation Fundamentals
The journey begins with a well-known observation in electronics: if you require an oscillator, it may be more beneficial to focus on creating an amplifier instead. This humorous take sets the stage for a more serious discussion on the mechanics of oscillators. lcamtuf delves into the concept of positive feedback within amplifiers, which is essential for generating oscillation.
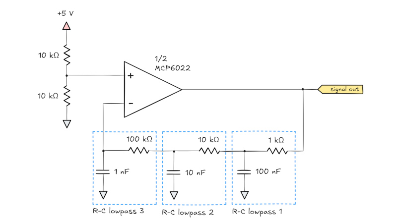
By revisiting first principles, lcamtuf explains how oscillators function. He introduces the Schmitt trigger, a key component that helps stabilize the oscillation process. The Schmitt trigger is vital for ensuring that the oscillation is consistent and reliable, which is crucial in various applications, from signal generation to audio processing.
Components and Circuits Explained
In addition to the Schmitt trigger, lcamtuf discusses the use of an RC (resistor-capacitor) circuit to induce a delay. This delay is an important factor in determining the oscillation frequency. By carefully selecting the resistor and capacitor values, designers can achieve precise control over the timing aspects of the oscillator.
Moreover, lcamtuf explores the concept of phase shift, which is necessary for creating oscillation waves. These components are not overly complex, yet they require a solid understanding of their principles to avoid trial-and-error approaches. Instead of merely plugging in values and hoping for the best, lcamtuf encourages aspiring engineers to grasp these foundational concepts to unlock the secrets of effective oscillation design.
For those interested in further exploration, Hackaday has previously published in-depth analyses on this topic, offering additional insights into oscillator design and functionality.
lcamtuf is a recognized figure in the electronics community, having contributed valuable resources on various topics, including a comparative review of low-cost printed circuit board manufacturers. His expertise continues to aid both novice and experienced engineers in navigating the complexities of electronic circuit design.
As the demand for precision in electronic devices grows, understanding oscillators becomes increasingly important. By learning the principles outlined by lcamtuf, designers can create oscillators that not only work but excel in performance, paving the way for more innovative electronic solutions.








































